Máte minútu?

Krátky dotazník nám pomôže vylepšiť web pre všetkých čitateľov. Váš názor je pre nás dôležitý.

Spustiť dotazník
Zahraničné

Ľudské slzy pod mikroskopom: Nebudete veriť vlastným očiam!

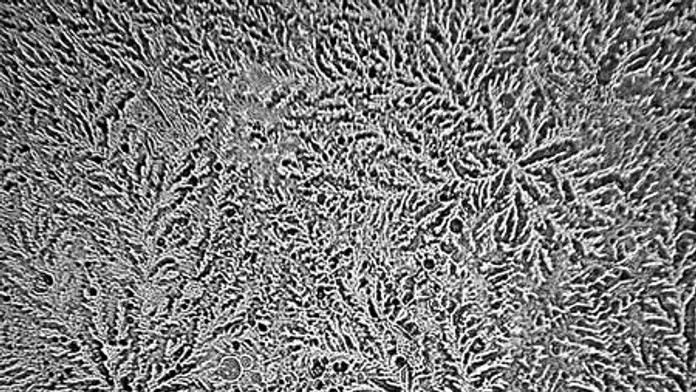
slzy-cibula.jpg

Inak vyzerajú tie, ktoré plačeme, keď krájame cibuľu a inak slzy smútku.

Fotografka Rose-Lynn Fisher urobila netradičný experiment. Pod mikroskopom preskúmala ľudské slzy. Zistila, že slzy smútku vyzerajú inak ako slzy, ktoré plačeme pri krájaní cibule.

Bazálne slzy (ktoré produkuje oko samé na ochranu pred vysýchaním) sú odlišné od sĺz úprimného smiechu. Ľudské slzy sú vraj unikátne. Podobne ako odtlačky prstov či snehové vločky.

Ani jedna nevyzerá rovnako ako druhá. Posúďte sami.

Bazálne slzy

Slzy pri krájaní cibule

Slzy smiechu

Slzy smútku

Slzy spomienok


NEW YORK / Doba.sk / K.Konkoľ
Voyo

Sledujte Televízne noviny vo full HD a bez reklám na Voyo

NAJČÍTANEJŠIE ČLÁNKY

Sledujte kanál spravodajstva Markízy

Dôležité udalosti